COLD DRAWN STEEL FIBER
Our steel fiber includes mainly 3D and 4D and 5D, end hook shape, usually GLUED FIBER AND LOOSE FIBER .Steel number is Q195 low carton steel,the sectional area is round.To conform to JG/T 3064-1999,EN14889-1:2006,JG/T 472- 2015,ASTM A820-96,ASTM116,ASTM C1550-12a.
We usually manufacture and sell by the below size:
Length: 20mm,25mm,30mm,35mm,50mm,60mm
Diameter: 0.5mm,0.55mm,60mm,0.65mm,0.70mm,0.75mm,0.80mm,0.90mm,1.0mm,1.2mm
Tensile Strength: from 1000Mpa to 2200Mpa ( Q195,55#)
PRIMARY APPLICATIONS
Cold drawn steel fibers are used in a wide variety of applications where enhanced toughness, impact resistance, and crack control are required:
Industrial Floors and Warehouses: For superior impact and abrasion resistance from heavy machinery and traffic.
Pavements and Overlays: To control reflective cracking and improve fatigue life.
Shotcrete (Gunite): For tunnel linings, slope stabilization, and swimming pools. The fibers reduce rebound and add ductility.
Precast Concrete Elements: Such as pipes, panels, and bunkers, improving handling strength and durability.
Blast-Resistant and Impact-Resistant Structures: Their ability to absorb energy is crucial in these safety-critical applications.
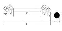
3D FIBER
Wire diameter (D):D (+/-10%)
Fibre length(L/L' ):L (+/-10%)
Hook length(l and I') :3.0 mm
Hook arm length (s and s') :3.0 mm (+0.1 mm)
Bending angle (a and a') :45° (min. 30°)
Aspect ratio (L/D):L/D
Number of fibres per kg: _____fibers
Total fibre lengthper 10kg: _____meter
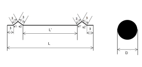
4D FIBER
Wire diameter (D):D (+/-10%)
Fibre length(L/L' ):L mm (+/-10%)
Hook length(l and I') :3.0 mm
Hook arm length (s1 and s1") :3.0 mm (+0.1 mm)
Hook arm length (s2 and s2) :3.0 mm (+0.1 mm)
Aspect ratio (L/D):L/D
Number of fibres per kg:_____fibers
Total fibre length per 10kg:_____m
5D FIBER
Wire diameter(D): D (+/-10%)
Fiber length (L): L mm(+/-10%)
Fiber length(L' ):L ‘ mm(+/-10%)
all hook length: 4.0mm
Aspect rate (L/D):L/D
Number of fiber per kg:_____fibers
Total fiber length per 10kg:_____m-
PACKING:20Kg/Kraft Bag Lining Plastic Woven Bag,1200kg/pallet,24000kg/20GP.

